2023. 2. 18. 01:32ㆍ이건뭐지/진공관 라디오 수리
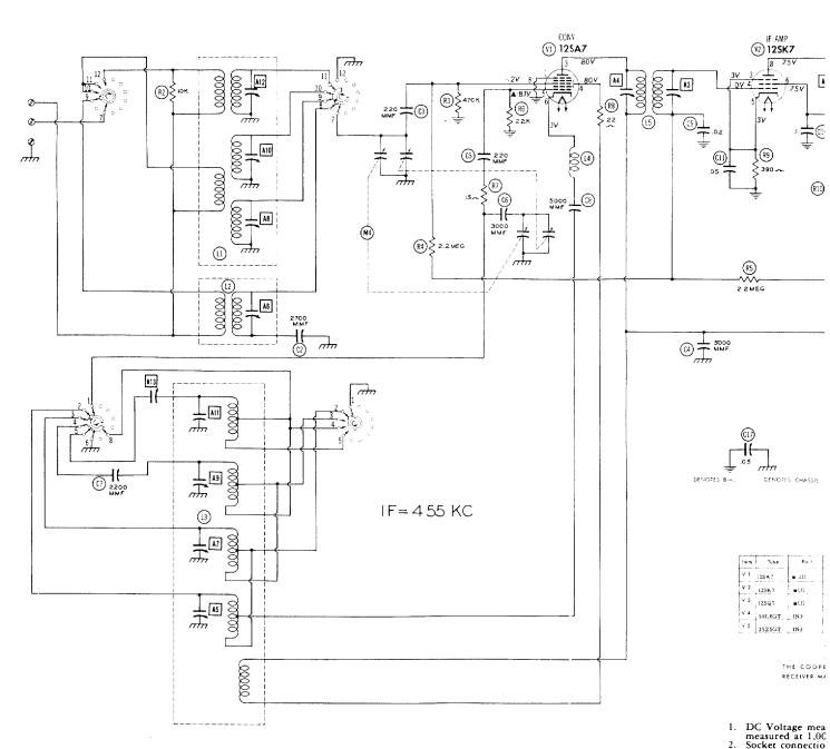
저 라디오를 올드 라디오 좋아하는 분들이 많은 게시판에 올렸더니 알아들을 수 없는 외계어로..조언을 많이 해주시네요.
하지만 전 알아들을 수가 없어요 ㅜㅜ... 한땀 한땀 해석을 해나가 봅니다.
일단 기본적으로 전해 콘덴서와 페이퍼 콘덴서는 교체를 해야 한다고 합니다.
근데...대체 그게 뭔지를 모르는데...후.. 또 조사해봅니다.
전해 콘덴서
전해 콘덴서는 전기를 저장하는 전자 부품 중 하나입니다. 일반적으로 전해 콘덴서는 두 개의 전극 사이에 전해질이라는 전해질을 사용하여 전기를 저장합니다.
전해 콘덴서는 전해질을 사용하여 전기를 저장하기 때문에 전해질에 따라 용량이 크게 달라집니다. 또한 전해질은 전기를 저장하면서 화학 반응을 일으키기 때문에, 전해 콘덴서의 수명이 다 될 때까지 사용하면 용량이 감소할 수 있습니다.
전해 콘덴서는 전기회로에서 다양한 용도로 사용됩니다. 예를 들어, 전원공급회로에서는 전해 콘덴서를 사용하여 전원을 안정화하고 잡음을 제거하며, 스피커 회로에서는 출력을 증폭하는 데 사용됩니다. 또한, 라디오와 TV 등의 높은 주파수 신호를 필터링하는 데에도 사용됩니다.

애가 전해 콘덴서군요( 나 애 어디서 본거 같아!! )

저렇게 생긴 기호라고 합니다. 뭔가 숫자가 적혀있는데..음..
페이퍼 콘덴서
요렇게 생긴애라고 합니다. 오오..이거도 본거 같습니다. 역할은 전해콘덴서랑 비슷한 거 같네요.

페이퍼 콘덴서는 전기를 저장하는 전자 부품 중 하나로, 종이로 만든 콘덴서를 말합니다. 전자 부품의 한 종류로서, 두 개의 전극 사이에 담긴 전기를 저장하는 역할을 합니다.
페이퍼 콘덴서는 일반적으로 두 장의 금속 판을 종이로 감싸서 만듭니다. 종이가 전해질의 역할을 수행하여, 전기를 저장할 수 있습니다. 종이 콘덴서는 용량이 크기 때문에, 높은 주파수에서는 작동하지 않을 수 있습니다.
페이퍼 콘덴서는 전기회로에서 다양한 용도로 사용됩니다. 전력 전달과 변환, 라디오와 TV 등의 신호 처리, 스피커 및 마이크 입력 신호 처리, 앰프의 출력 회로 및 전력 패스 등에서 사용됩니다.
페이퍼 콘덴서는 오랫동안 사용할 경우, 종이의 수분 흡수로 인해 전기 용량이 감소할 수 있습니다. 이러한 문제를 방지하기 위해서는 적절한 보관 조건과 주기적인 유지 보수가 필요합니다. 또한, 최근에는 보다 성능이 우수한 다양한 유형의 콘덴서가 개발되었기 때문에, 페이퍼 콘덴서는 전자 부품으로서는 덜 사용되고 있습니다.
두개 모두 세월이 흐르면서 제 기능을 못하게 되는 건가 보네요. 매일 매일 하나씩 알아나가 봅니다..
그러다보면...언젠가 이걸 읽을 수 있는 날이 오겠죠?

'이건뭐지 > 진공관 라디오 수리' 카테고리의 다른 글
| 진공관은 대체 뭐할때 쓰는 걸까 (0) | 2023.02.18 |
|---|---|
| 진공관 라디오 수리 카테고리 신설 (0) | 2023.02.02 |